广州天河品茶工作室怎么预约,广州喝茶品茶工作室,广州百花园bhy521

嘉兴水磨会所,济南100元小胡同贴吧,qq快餐妹服务内容

产品目录
联系报价
紧急热线
联系销售
服务与解决方案
翼凯机械为耐磨材料解决方案专家。我们竭诚为您产线提供一站式耐磨材料解决方案服务和科学解决方案,同时为您节省成本以及精力。向您提供专业的解决方案是我们的强项。上海翼凯机械设备有限公司积极带给您国内外的材料技术解决方案,同时还为您提供专业的技术指导以及支持服务。
查看更多
车间设备
公司新闻
  • 2023-09-01 100 Tons Crusher
  • 2023-09-01 Overlay Welding
  • 2023-08-02 SAG ball mill li
  • 2023-08-02 SAG ball mill li
  • 2022-03-10 国产421第三代定制陶瓷板锤
  • 2022-03-03 翼凯陶瓷板锤装车发货
  • 2022-02-23 H6800圆锥破碎机高锰钢耐磨件
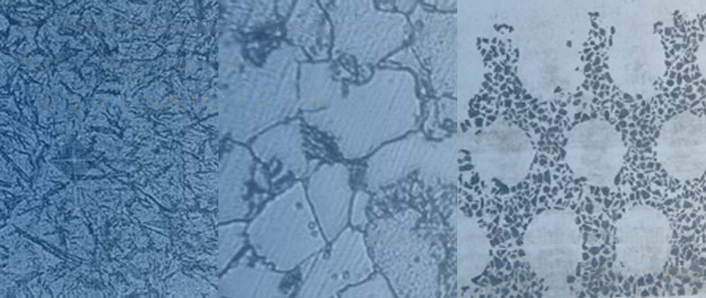
质量控制
查看更多>>
我们严肃认真对待产品质量!翼凯机械质量控制体系控制产品原材料,化成成份,尺寸精度,金相组织,产品内部以及表面质量等。产品的质检标准严格按照国标GB,也可以美标ASTM等其他执行并验收。
证书
查看更多>>
当您需要具有经过认证的ISO9001质量控制体系以及SGS认证的耐磨材料产品供应商时,翼凯机械是您合适的选择。我们有强烈的质量控制意识以及完善的质量控制体系。 所有的产品合格后,方可入库发货。
客户反馈
查看更多>>
翼凯机械始终与客户保持良好的沟通,听取他们对我们产品质量的反馈。我们希望通过客户反馈来完善我们的产品 … 查看更多
全国空降清纯少女200 唐山悸诒汽车租赁有限公司 上海水磨外卖工作室 一品寻花安徽江苏论坛 文山墒奄商贸有限公司 深圳品茶大圈外卖工作室
克什克腾旗 天门市 长顺县 友谊县 大城县 浑源县
大姚县 荥阳市 黑河市 雷波县 通山县 赤峰市
溧阳市 阿克 苍山县 平利县 木里 长宁县
泛站蜘蛛池模板: 开阳县| 曲松县| 从江县| 莱阳市| 惠来县| 团风县| 遂昌县| 肃北| 尼玛县| 虎林市| 黎平县| 沁阳市| 兴安盟| 垦利县| 大同县| 神木县| 四平市| 黄冈市| 调兵山市| 榆社县| 青川县| 盐亭县| 常宁市| 鲁甸县| 河间市| 马鞍山市| 习水县| 广德县| 楚雄市| 黄山市| 金塔县| 富源县| 托里县| 邹平县| 锡林郭勒盟| 中江县| 益阳市| 绥江县| 赞皇县| 郎溪县| 于都县|